Andrey_NU
Uvuvwevwevwe Onyetenyevwe Ugwemuhwem Osas
Кобейн даже хуй не бил )) Снял да снял ) и ведь супер в его исполнении!Ну так-то да- в копейку снял
Смотрите видео ниже, чтобы узнать, как установить наш сайт в качестве веб-приложения на домашнем экране.
Примечание: Эта возможность может быть недоступна в некоторых браузерах.
Кобейн даже хуй не бил )) Снял да снял ) и ведь супер в его исполнении!Ну так-то да- в копейку снял
Во! Для игр того времени это прорыв!Не - в такую не гамал
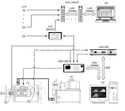
Нихуя не понятно, но видимо так и надо )) Верхние коробки анализаторы вибрации и звука, ещё ПК знаю чо такое ))Захуячил блок-схему тракта
Посмотреть вложение 1104177
Чем глубже спрятан смысл тем трудней понять и тем пижже ))) -вощем это блок схема испытания амортизированного комплекса для подводной лодки.Нихуя не понятно, но видимо так и надо )) Верхние коробки анализаторы вибрации и звука, ещё ПК знаю чо такое ))
| 4370 | – пьезоэлектрические акселерометры «Брюль и Къер»; |
| 2692 NEXUS | – предварительный усилитель фирмы «Брюль и Къер»; |
| 3050 LAN-XI | – модульная измерительная система фирмы «Брюль и Къер»; |
| LAS-200 | – система управления виброиспытаниями фирмы «Dactron»; |
| EDC-580 | – система управления гидроцилиндром фирмы «Doli»; |
| ГЦ | – гидроцилиндр типа 174-300-300 фирмы «Servotest»; |
| ДС | – датчик силы типа LC‑172‑200 фирмы «Servotest»; |
| ДП | – встроенный датчик перемещения испытательной машины; |
| HC | – насосная станция. |
Мне понятно только то что ничего не понятно.Чем глубже спрятан смысл тем трудней понять и тем пижже ))) -вощем это блок схема испытания амортизированного комплекса для подводной лодки.
Посмотреть вложение 1104265
Посмотреть вложение 1104266 – сигналы возбуждения; Посмотреть вложение 1104269– измеряемые сигналы; Посмотреть вложение 1104267– сигнал обратной связи; Посмотреть вложение 1104270– цифровые интерфейсы.
Блок-схема испытательного тракта
4370 – пьезоэлектрические акселерометры «Брюль и Къер»; 2692 NEXUS – предварительный усилитель фирмы «Брюль и Къер»; 3050 LAN-XI – модульная измерительная система фирмы «Брюль и Къер»; LAS-200 – система управления виброиспытаниями фирмы «Dactron»; EDC-580 – система управления гидроцилиндром фирмы «Doli»; ГЦ – гидроцилиндр типа 174-300-300 фирмы «Servotest»; ДС – датчик силы типа LC‑172‑200 фирмы «Servotest»; ДП – встроенный датчик перемещения испытательной машины; HC – насосная станция.
пс
Мы тут ебошили как-то
о, я ж говорила, монитор, мозги и шлангиЗахуячил блок-схему тракта
Посмотреть вложение 1104177

кабелИ?Эт не шланги, а кабели![]()


непохожеПиши рацуху теперь чоуш![]()
